寫稿
投稿
最新《燃料電池電動汽車加氫口》標準出臺 將于今年國慶實施
作者:官方
來源:互聯網
所屬欄目:政策法規
發布時間:2021-04-02 16:34
[ 導讀 ]近日,國家市場監督管理總局、中國國家標準化管理委員會發布最近國家標準——《燃料電池電動汽車加氫口》,標準號:GB/T 2677...
近日,國家市場監督管理總局、中國國家標準化管理委員會發布最近國家標準——《燃料電池電動汽車加氫口》,標準號:GB/T 26779-2021。

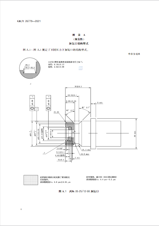
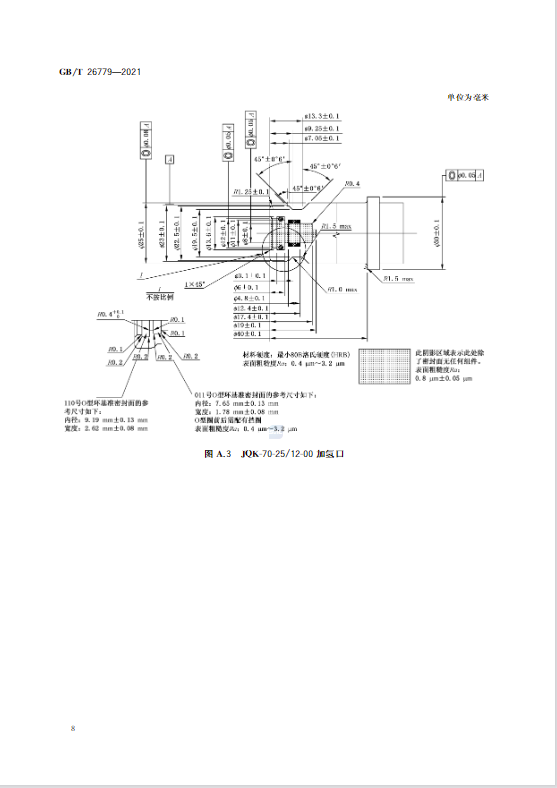
這份最新標準文件將代替2012年1月1日實施的《燃料電池電動汽車 加氫口》文件,改動有增加耐臭氧老化性測試、耐鹽霧腐蝕性測試、耐溫度循環性測試、兼容性測試、70MPa加氫口尺寸、、加氫口防凍設計的資料性附錄,修改了35MPa加氫口的加工要求,刪除了消除靜電設計、材料的氫脆要求、檢驗規則章節和25MPa加氫口的尺寸設計等項。
全文如下:












免責聲明:凡注明來源為“氫啟未來網:xxx(署名)”,除與氫啟未來網簽署內容授權協議的網站外,其他任何網站或者單位未經允許禁止轉載、使用,
違者必究。非本網作品均來自互聯網,轉載目的在于傳遞更多信息,并不代表本網贊同其觀點和對其真實性負責。其他媒體如需轉載,
請與稿件來源方聯系。如有涉及版權問題,可聯系我們直接刪除處理。詳情請點擊下方版權聲明。